[
请登录
] [
注册会员
] [
找回密码
]
首页
创建桌面快捷方式
找订单找产品就上88订单网
订单
订单
产品
公司
资讯
搜索
当前位置:
88订单网
>
采购
采购倒计时
距有效期还剩:0天
查看联系方式
采购清单
产品名称
数量
单位
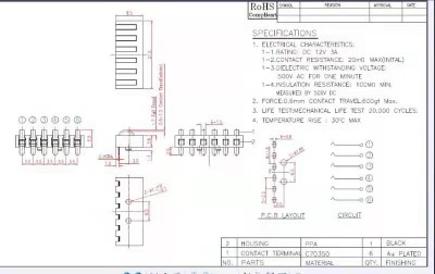
寻求::电池触片加工
100000
个
备注信息
采购要求
发票要求
增值税专票(一般纳税人开具)
交货期
自下单后
30
天内交货至指定地点
补充说明
要求:3.5间距6位的电池触片 数量:100k
买家档案
发布时间:2022-3-8 9:50:15
所在地区:江苏扬州市邗江区汊河街道扬州创谷开发西路217号
已有
3
人查看
关于88订单网
|
新手指南
|
诚征英才
|
网站地图
|
服务条款
|
付款方式
|
联系我们
|
广告服务
|
快递查询
电子邮箱:admin#88order.com 订单网 All Rights Reserved 英文网址:www.88order.com 版权所有
88订单网
Copyright 2017
fsfds
登录/注册
X
帐户:
密码: