


多参量差压式流量计的组成及安装
更新时间:2016-9-6 15:41:18 浏览次数:22
在出产进程中需求实时对工质流量要进行丈量,以操控出产进程中的工作状况,衡量设备的功率和经
济计算的首要方针。所以流量丈量是工业企业能源管理的首要方法。多参量差压式流量计即是其间的一种方法。
多参量差压式流量计是工业上运用最多的流量计之一,而孔板是多参量差压式流量计选用最多的一种节省元件,它具有
构造简略、设备便利、报价低一级特征。
一、多参量差压式流量计的构成
它是由节省元件、差压计(通常用多参量变送器)、引压导管
1、节省元件
在管道中设备一个固定的阻挡体,它基地开一个小孔,当流体流过这个开孔横截面时,就会发作流束
的缩短,这时流体的活动速度加快,压力下降,在阻挡体前后发生一个较大的压力差。这个压力差随流量
改动,流量越大,差压越大,因而,经过丈量这个压力差就可以推算出流量的巨细,这个进程叫节省进程
,其间构成流束缩短的元件叫节省元件。
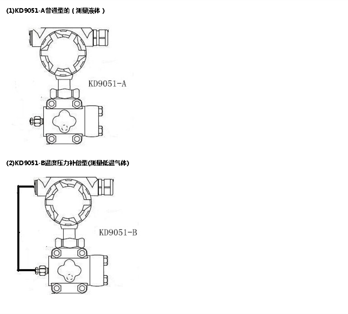
煤气流量计运用的是多参量差压式流量计,运用的节省元件为规范孔板,引压管为φ18×2无缝钢管,差压
变送器是kd9051多参量变送器。为温度压力补偿。
2、节省元件(规范孔板)的取压方法
节省元件的取压方法有多种,如角接取压和法兰取压等,规范孔板取压方法选用的是环室取压,即在
孔板两端设备前后环室,并由法兰将环室、孔板、垫片紧固在一起。
二、多参量差压式流量计的设备
包含四有些:
1、节省元件(规范孔板)的设备
2、差压信号管路(引压管)的设备
3、差压计(kd9051多参量变送器)的设备
| 采购商 | 商品规格 | 成交单价(元) | 数量 | 成交时间 |
|---|
推广
推广
推广
推广
推广