[请登录] [注册会员] [找回密码]
首页
创建桌面快捷方式

一体化多参量孔板流量计多参量变送器多参数变送器微差压变送器

¥ 1000 元

1- 9 1000 10- 49  1000 ≥50 1000

起订量 标准价 采购量
1 1000
- +
立即购买

microsoftinternetexplorer402documentnotspecified7.8 磅normal0差压流量计占有流量仪表的市场的比例是非常之大的。市场中应用比较多的是孔板、喷嘴、文丘里、弯管、阿牛巴、威力巴、楔型、v锥等流量计。差压流量计有很多的优点,机构简单,长期稳定、抗干扰性好、抗震动能力强等。但是也有许多的缺点。主要就是使用起来比较麻烦,安装麻烦、一般都是按装差压变送器,然后配二次仪表或者计算机等。必然就造成了用户使用麻烦,容易出错,操作难度增加。成本也必然的增加。一般输出是电流,没办法做到每个表实流标定。国内没有一家做到每台差压流量仪表出厂前进行标定。都是靠计算来实现。必然造成理论和实际有一些出入,而带来误差。还有一个重要的缺点就是不能电池自供电,实现微功耗。因为好多地方是无法提供电源的。针对这些情况,上海肯都自动化仪表有限公司研发了一个微功耗电池供电的差压流量多参量变送器。流量和差压传感器一体化设计,直接显示流量信号,可以不接电源的情况下进行流量的计量。全隔离的脉冲输出,可以直接在标定台子上实流标定,把系数反馈到多参量变送器。大大提高仪表的实际准确性。摆脱了差压流量计靠计算的这个操作办法。

  内部、外部电源完全隔离设计。大大提高了仪表的抗干扰性。仪表带来的干扰,有90%是电源供电系统通过仪表供电电源线进入到仪表,对仪表造成干扰,这样完全隔离的设计,完全阻断了这种干扰进入仪表的途径,极大的提高了仪表的抗干扰性。

    普通的差压变送器只能输出电流信号,而肯都自动化仪表的kd9051可以输出脉冲、电流、485信号可选择。485信号能同时把工况瞬时流量、工矿累积流量、标况瞬时流量、标况累积流量、温度、压力等信号传输到上位机。只需要一条总线。传统的需要差压信号、温度变送器信号、压力变送器信号等多条线。

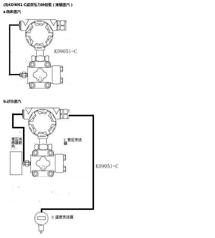
    肯都自动化仪表的 kd9051多参量变送器,自身集成了微功耗的温度和压力传感器。对温度压力传感器信号进行采集。对气体能够自动进行温度压力补偿气态方程的计算,换算到标方;蒸汽会根据饱和蒸汽或者过热蒸汽,自动查表运算,转换成质量流量。传统的变送器,不具备这些功能,要同时安装温度变送器,压力变送器,差压变送器,二次仪表或者计算机系统才能实现。同时需要进行大量的布线工作,还有设置工作。造成了仪表的使用麻烦、工作量大,操作困难等。多参量变送器不需要接线、设置等。非常简单的操作,提高了现场的易用性。

 对气体这些可压缩的介质。肯都自动化仪表的kd9051变送器会自动采集温度和压力,并进行温度压力补偿气态方程的运算。就流量转换成标准方。而传统的变送器是要靠安装差压变送器、温度变送器、压力变送器、二次仪表或者计算机来实现的。成本高,施工强度大,操作困难。



























































































































































































































































采购商 商品规格 成交单价(元) 数量 成交时间
产品推广
联系方式
上海肯都自动化仪表有限公司
联系人: 殷宝华(男)
会员: 普通用户
认证: 通过认证
电话: 021-59573172
手机: 17717374046
地区: 上海嘉定区
点击这里给我发消息 点击这里给我发消息
更多产品 供应商其它产品
多参量阿牛巴流量计多参量变送
¥1000
多参量变送器可显示温度压力流
¥1000
多参量多参数变送器自带温压补
¥1000
多参量楔式流量计多参量变送器
¥1000
多参量威力巴流量计多参量变送
¥1000
郑重提示:您在88订单网上采购商品属于商业贸易行为。以上所展示的信息由卖家自行提供,内容的真实性、准确性和合法性由发布商家负责,请意识到互联网交易中的风险是客观存在的。推荐使用担保交易保障服务或使用第三方担保交易比如支付宝,保障您的交易安全!
关于88订单网 | 新手指南 | 诚征英才 | 网站地图 | 服务条款 | 付款方式 | 联系我们 | 广告服务 | 快递查询
电子邮箱:admin#88order.com 订单网 All Rights Reserved 英文网址:www.88order.com 版权所有 88订单网 Copyright 2017