dc50d系列
外观图


t系列(两相) s系列(三相) a系列(三相)
参数规格
| 序号 |
类别 |
规格 |
| 1 |
泵体尺寸及重量 |
103.5mmx107mmx64mm;480g |
| 2 |
水泵出水口外径 |
20mm |
| 3 |
水泵进水口外径 |
20mm |
| 4 |
驱动方式 |
无刷,磁力隔离 |
| 5 |
水泵壳体材料 |
pes/sps/pps/pa66+30%gf (可选配) |
| 6 |
使用方式 |
连续使用 |
| 7 |
使用介质 |
水,油,以及其他酸碱溶液 |
| 8 |
最大工作温度 |
60℃【两相/t系列】或者100℃【三相/s或a系列】 |
| 9 |
功耗 |
2.5w~45.6w【两相】;2.5w~86.4w【三相】 |
| 10 |
额定电压 |
12vdc或 24vdc |
| 11 |
使用电压 |
5vdc ~ 12vdc 或5vdc ~ 24vdc |
| 12 |
最大负载电流 |
2.1a【两相】or 3.8a【三相】 |
| 13 |
最大流量 |
36l/min【两相】; 41l/min【三相】 |
| 14 |
最大静态扬程 |
4m【两相】;6.5m【三相】 |
| 15 |
噪音 |
<40db |
| 16 |
防水等级 |
ip68(可潜水安装) |
| 17 |
寿命 |
大于30000小时 |
| 18 |
供电方式 |
太阳能板,蓄电池,适配器,电源模块 |
| 19 |
保护功能 |
可选配缺水保护、空转保护、堵转保护、卡死保护 |
| 20 |
调速功能(调功率) |
可选配pwm调速,0~5v模拟信号调速,电位器调速 |
特点
无需保养,体积小效率高,功耗低,抗干扰能力强,运行平稳。无碳刷,无污染,电子换向,寿命长。减震硅胶,吸收震动,降低噪音,硅胶位置可调节,方便安装。电机的定子和电路板部分采用环氧树脂灌封并与转子完全隔离,解决了电机式直流水泵长期潜水产生的渗漏问题,完全防水。解决了水泵在复杂环境中出现的卡死、水泵突然不启动等一系列问题。水泵可选配缺水保护、空转保护、堵转保护、卡死保护等功能。水泵轴心采用高性能陶瓷(降低成本可选不锈钢轴),精度高,耐磨性好,由于采用高精密轴套与陶瓷轴的精密配合。可根据要求调制水泵参数,24v水泵可调制2米扬程,也可7米扬程,体积不变,可宽电压运行。解决了水泵驱动的死亡率问题,目前市面上的水泵死亡率大概在2%~3%左右。经过长时间科研研究将水泵的死亡率降低到了万分之五以内。水泵系列中的三相无霍尔传感器程序驱动直流水泵可以实现pwm调速,模拟信号(0~5v)调速,电位器vr手动调速,可以随意改变流量及扬程。水泵中的三相直流水泵为软启动,无冲击,启动功耗小,可直连太阳板,电路板与泵体完全分离,泵体内无任何电子元器件,泵体采用耐高温材料,水泵可以长期在100度水温中使用。具有叶轮转子卡死保护,反接保护,过载保护,过流保护。如需加大水泵扬程还可将水泵串联,则扬程可加倍。水陆两用(外用时安装位置低于液面)。可根据用户要求定制设计水泵及其相关控制系统。
参数表 (仅供参考,水泵24v扬程调制范围2-6.5m,12v扬程,范围1.5-4m)
|
| 型号 |
电压 |
最大负载电流 |
最大扬程 |
最大流量 |
功耗 |
| v (dc) |
a |
m |
l/h |
w |
| dc50d-1220t |
12 |
1.57 |
2.00 |
1300 |
18.8 |
| dc50d-1220s |
| dc50d-1220a |
| dc50d-1230s |
12 |
3.0 |
3.00 |
1700 |
36.0 |
| dc50d-1230a |
| dc50d-1240s |
12 |
3.8 |
4.00 |
2150 |
45.6 |
| dc50d-1240a |
| dc50d-2430t |
24 |
1.5 |
3.00 |
1700 |
36.0 |
| dc50d-2430s |
| dc50d-2430a |
| dc50d-2440t |
24 |
1.9 |
4.00 |
2150 |
45.6 |
| dc50d-2440s |
| dc50d-2440a |
| dc50d-2450s |
24 |
2.9 |
5.00 |
2300 |
69.6 |
| dc50d-2450a |
| dc50d-2465s |
24 |
3.6 |
6.50 |
2450 |
86.4 |
| dc50d-2465a |
| 选型注意事项 |
Ø 选型时务必给出使用环境:例如连续工作时间、水温、介质等,水泵功率超过一定的功率就不适合长期在60度或者100度以上水温连续工作,务必与技术员沟通以便选择最合适的水泵!
Ø 上述电流为水泵的开口电流即当水泵直接放入水中不接任何系统时的电流,也为水泵最大电流,当水泵接上系统之后水泵的工作电流会降低到最大负载电流的70%-85%。
Ø 水泵的扬程为最大送水高度,即到达最大扬程点的流量为零。
Ø 水泵的流量为水平流量,即水平抽水的流量。 |
|
两相直流水泵与三相直流水泵(无传感器智能)的区别
| 两相(t 系列) |
传感器驱动,电路板必须内置,无法通过智能方式调速 |
| 三相(s/a系列) |
直流三相与交流三相完全不同,直流三相指的是无传感器驱动,其供电方式与单相和两相水泵一样只有正负极两根线。智能程序驱动,无传感器,电路板可外置(外置之后泵体可以耐高温)。可调速(pwm 、0~5v模拟信号、电位器调速)【选配】堵转及反接保护,过压过流保护,过温保护软启动,启动电流低,无冲击,特别适用于太阳能板直接供电 |
三相直流水泵接线图解
s系列 a系列
电位器调速接线方法:(非调速水泵没有引出调速信号线)
调速接口中的红线为正5v,黄色线为调速信号线,黑线为地线,红色和黑色线分别接电位器的两端,黄线接电位器的中间,这样旋动电位器可使黄线的电压在0-5v之间滑动,从而采用电位器实现了0 -5v 之间的调速。切勿将红线和黑线碰到一起,这样容易导致电路板烧坏,电位器调速和vr(0-5v)调速是一样的,如果采用vr调速则只需要将电位器取下,按照vr调速方法接线即可。
pwm或者模拟信号vr(0-5v)调速的接线方法:
pwm(50-800hz信号幅值为5v)或者模拟信号(0-5v)调速只需要将调速接口中的黄色线接到外界控制系统的调速信号发生端口(pwm或者0-5v),黑线接到系统地线,红线悬空即可。
流量-扬程曲线图
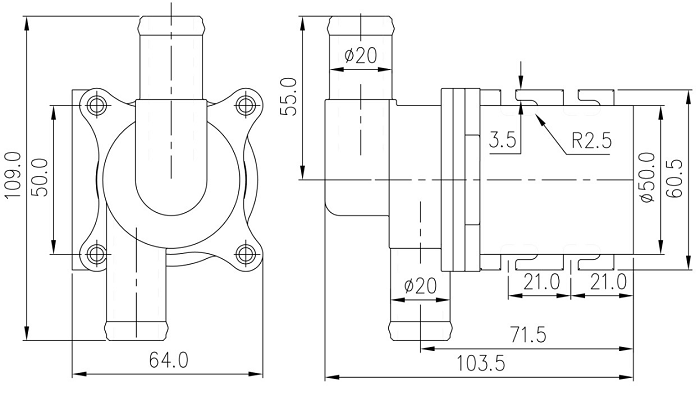
尺寸图
应用范围
电动汽车散热系统,自动化设备水循环,水制冷等电器,饮水机,卫浴产品,碎纸机,无土栽培,水暖床垫,空调抽水,水族鱼缸,桌面工艺品,足浴盆,水暖床垫,热水器,电脑水冷,水冷风扇,医疗器械,制药系统,化工,循环系统,冷却散热系统,制冷系统,水冷空调,水冷风扇,移动洗澡机,太阳能喷泉,太阳能循环系统,家庭增压系统,别墅供水系统,小型灌溉系统, 水处理系统,小型供水系统,汽车循环系统,汽车加热系统,机床,家用电器,厨房电器,卫浴产品, 热水循环系统
无