fd671x气动耐磨蝶阀简介:
气动耐磨蝶阀中线软密封蝶阀是管线优先选用的常规蝶阀,具有结构简洁,流阻系数小,流量特性趋于直线,不会滞留杂物。且重量轻,安装方便,驱动扭矩较小的优点。中线软密封蝶阀既可作切断介质用,又可作调节介质的流量用。驱动装置根据用户要求,分别可采用手动、电动、气动等方式。选用不同材料的零件,配用不同材料的密封圈,可适应不同的介质、工况,使成本与性能达到最佳效果。
气动粉尘专用蝶阀适用于公称压力≤1.6mpa给排水、污水、食品、供暖、燃气、船舶、水电、冶金、能源系统以及轻纺等行业,特别适用于双向密封和阀体易锈蚀场合,作调节流量和截流介质。
fd671x气动耐磨蝶阀特点:
1:具有优异的减磨、自润滑性,操作力矩比普通有销蝶阀降低百分之四十。
2:密封面耐磨性好(尼龙耐磨性是铜的七倍),可明显延长蝶阀的使用寿命,与普通中线蝶阀相比,使用寿命可明显延长3倍。
3:尼龙材料无任何毒性,并且抗菌、抗霉,符合人们日益重视的绿色环保要求。
4:尼龙具有优异的耐碱、盐性能,耐弱酸侵蚀,对有机化合物呈惰性,适应范围广。
5:产品与管道法兰连接尺寸符合现在蝶阀产品的标准。
fd671x气动耐磨蝶阀主要性能参数:
品牌 |
精卫 |
型号 |
fd671x |
阀体材质 |
碳钢,不锈钢 |
阀座材质 |
wrr |
阀板 |
尼龙11板 |
连接形式 |
对夹 |
公称通径 |
50-450mm |
压力 |
1.0mpa |
工作温度 |
0~100℃ |
结构形式 |
杠杆式 |
传动方式 |
手动、气动、电动 |
密封形式 |
软密封型 |
适用范围:适用于火电厂,矿山、石灰厂、水泥厂、洗衣粉厂等有磨损、腐蚀的粉尘介质 |
|||
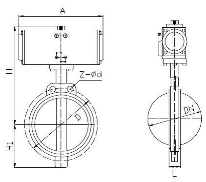
fd671x气动耐磨蝶阀尺寸图和尺寸表:
公称通径dn(mm) |
l |
a |
h |
h1 |
d |
z-¢d |
气动执行器型号 |
50 |
42 |
154 |
231 |
57 |
51.5 |
4-¢16 |
at52 |
65 |
44 |
174 |
262 |
57 |
64 |
4-¢16 |
at65 |
80 |
44 |
206 |
286 |
73 |
77 |
8-¢16 |
at83 |
100 |
50 |
206 |
305 |
88 |
102 |
8-¢16 |
at83 |
125 |
56 |
270 |
344 |
102 |
128 |
8-¢16 |
at105 |
150 |
56 |
270 |
356 |
116 |
146 |
8-¢16 |
at105 |
200 |
62 |
299 |
422 |
147 |
198 |
8-¢16 |
at130 |
250 |
68 |
401 |
481 |
182 |
248 |
12-¢20 |
at145 |
300 |
78 |
439 |
539 |
208 |
300 |
12-¢20 |
at160 |
详细参数敬请来电咨询!
| d671f气动带手动蝶阀 | d671x气动带手动蝶阀 | d671x气动蝶阀 | 气动软密封蝶阀 |
|
|
|
|












