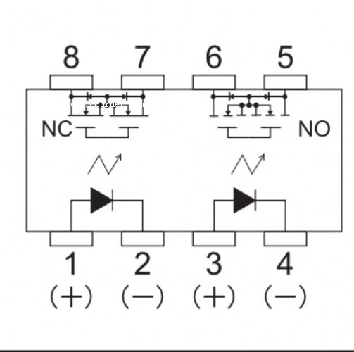
mos系列光耦合继电器、toward继电器ak74-dip8详情介绍:
型号:ak74
封装:dip8
触点结构:1a常开接点+1b常闭接点
操作led电流:3.0ma max
操作led电压:1.0~1.5v
负载电压:400v max
负载电流:100ma max
导通电阻:24欧/28欧
输出电容:100/165pf
低关态漏电流:10ua max
包装:杆装 尺寸:9.8*6.4*3.4mm(l*w*h)
| 采购商 | 商品规格 | 成交单价(元) | 数量 | 成交时间 | 
|---|
推广
 
推广
 
推广
推广
 
推广
 
 
	
	  