ec220218-242c-2854 10-20-30分钟定时芯片
一. 功能说明
供电方式:3.7-4.2v锂电池供电。一个轻触开关输入,五路输出:2路电平信号同步输出(outl低电平有效,outh高电平有效,可二选一。),3路指示灯led1,led2,led3。
上电不工作,长按2秒开启定时10分钟模式,outl输出低电平,outh输出高电平,led1指示灯亮,短按一下,进入定时20分钟模式,outl输出低电平,outh输出高电平,led1、led2指示灯亮。再短按一下,进入定时30分钟模式,outl输出低电平,outh输出高电平,led1、led2、led3指示灯亮。再短按一下返回定时10分钟,led1指示灯亮,依次循环。
计时过程中,指示灯随着计时时间递减而递减(如:定时30分钟,led1,led2,led3亮灯,当时间剩余20分钟,此时led3灭,led1,led2亮,中途触发进入下一档(例如30分钟定时,倒计时为20分钟时还是30分钟模式,触发按键则进入10分钟模式)。
任何模式下长按2秒关机。再开机从10分钟模式开始。
二. 电气参数(vdd=5.0v ta=25℃)
参数 符号 最小值 典型值 最大值 单位 条件
工作电压 vdd 2.4 3.0 5.0 v
工作电流 iop 1.6 ma fcpu=2mhz@xtal-4m
静态电流 istb 3 ua vdd=5v, wdt 开, lvr 关
驱动电流 iol 30 ma vol=0.6v
工作温度 ta -10 25 70 ℃
储存温度 tstg -20 25 100 ℃
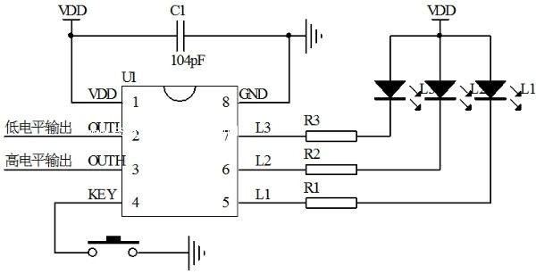
三. 封装脚位图(sop-8)
管脚号 符号 功能描述
1 vdd 电源正
2 outl 信号输出,低电平有效
3 outh 信号输出,高电平有效
4 key 触发开关
5 l1 指示灯1输出,低电平有效
6 l2 指示灯2输出,低电平有效
7 l3 指示灯3输出,低电平有效
8 gnd 电源负
四. 电路图参考
主控推led应用图
五. 封装尺寸图(sop-8)
六. 版本说明
版本 日期 描述
ec220218-242c-2854 2022/2/24 v01初版
| 采购商 | 商品规格 | 成交单价(元) | 数量 | 成交时间 | 
|---|
推广
 
推广
 
推广
 
推广
 
推广
 
