浪涌抑制滤波器(防雷滤波器)fsdc05-1l
产品特点:
u针对雷击浪涌脉冲的频谱分布特性而设计,含共模及差模浪涌冲击抑制电路,能实现对浪涌尖锋干扰的有效抑制;
u一级共模一级差模滤波电路,优异的共模、差模电磁干扰抑制特性;
◆克服单一浪涌抑制器对高频浪涌抑制性能欠佳的缺陷,进一步降低残压值,实现对浪涌侵入波的理想抑制;
◆含电压钳位电路,如所用设备需进行绝缘耐压试验,请慎重选用;
u可按不同性能,工作电流,电压,外形尺寸和端接方式等要求定制 。
◆ 使用场合:用于各种含有敏感数字电路的设备,仪器仪表,防止系统因浪涌干扰出现死机、复位、乱码及损坏等现象;需要通过gb/t17626.5-2008规定的浪涌(冲击)抗扰度试验的电力电子设备和仪器仪表。
◆ 技术参数:
| 额定电压 rated voltage | 125/250vac | |
| 额定电流 rated current | 1a | |
| 工作频率 operating frequency | 50/60hz | |
| 耐冲击电流 | 5ka | 8/20μs | 
| 最大漏电流leakage current | 0.5ma(250vac@50hz) | |
| 温度范围 temperature range | -25--+85℃ | |
| 端接方式 termination methods | 输入端 input | 输出端 output | 
| 焊片/插片 | 焊片/插片 | |
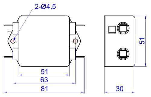
◆ 外形尺寸(封装)
 
 
◆ 参考标准
[1] gb/t15287―94抑制射频干扰整件滤波器 第一部分 总规范
[2] gb/t15288―94抑制射频干扰整件滤波器 第二部分 分规范
[3] ul1283―1984 电磁干扰滤波器安全标准
[4] gb17626.5-2008电磁兼容 试验和测量技术 浪涌(冲击)抗扰度试验
北京天工通宇科技有限公司是国内优质的电源滤波器制造商,电源滤波器批发商,期待新老用户来电询问电源滤波器报价,求购电源滤波器。
| 采购商 | 商品规格 | 成交单价(元) | 数量 | 成交时间 | 
|---|
推广
 
推广
 
推广
 
推广
 
推广
 
